聯系我們
企業地址:天津市西青經濟技術開發區賽達國際工業城A3-2
企業郵箱:apastj@163.com
聯系電話:022-87887696
企業傳真:請聯系管理員
企業郵編:300385
咨詢熱線:13622125499(24小時服務)
企業郵箱:apastj@163.com
聯系電話:022-87887696
企業傳真:請聯系管理員
企業郵編:300385
咨詢熱線:13622125499(24小時服務)
2080工業鋁型材CAD三維模型下載
艾普斯 丨 2018.10.03 丨 3504
|
||||
| 2080工業鋁型材CAD三維模型 | ||||
|
|
||||
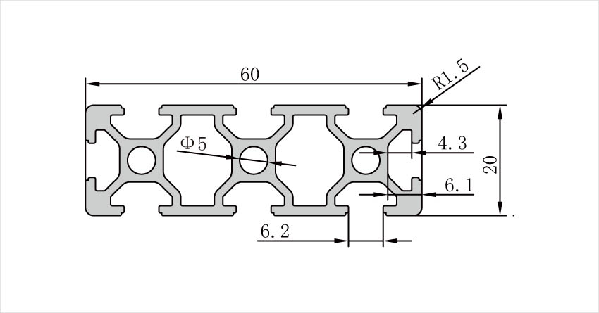
| 2080工業鋁型材主要應用于工業設備框架平臺的快速搭建,槽寬:6mm,高:2cm,寬:8cm,長度最大為6m,可以根據需求進行切割,加工精度誤差:±0.5mm; | ||||
|
|
||||
|
||||
|
(2080工業鋁型材二維參數)
|
||||
|
規格型號
|
材質
|
單位重量
|
慣性矩
|
慣性矩
|
彎矩
|
彎矩
|
訂貨編號
|
|
Profile
|
Material
|
Weight
|
Ix(cm4)
|
Iy(cm4)
|
Wx(cm3)
|
Wy(cm3)
|
Order NO.
|
|
20×80
|
鋁AL(6063-T5)
|
1.91kg/m
|
3.06
|
43.28
|
3.04
|
10.82
|
APAS-P6-2080
|
| 2080工業鋁型材主要應用于輕型工業框架的組裝搭建,設計師可以下載2080工業鋁型材CAD三維模型進行工業框架的構想與實現,注:2080工業鋁型材槽寬為6mm,需要搭配20系列專用連接配件進行快速組裝; |




